14-10-2024
Sơ đồ đấu nối tủ điện chiếu sáng và các bước lắp đặt
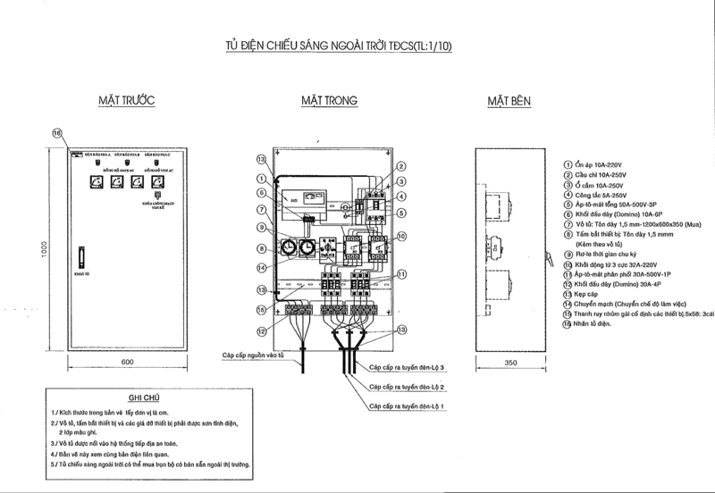
Tủ điện chiếu sáng là thiết quen thuộc trong các công trình, nhà xưởng, tòa nhà lớn có hệ thống chiếu sáng phức tạp. Khi vận hành, người điều khiển cần nắm bắt được sơ đồ đấu nối và nguyên lý vận hành sao cho hiệu quả. BTB Electric sẽ hướng dẫn cách vẽ sơ đồ và các bước lắp đặt, kiểm tra tủ điện chiếu sáng trong bài viết sau.
Bước 1: Xác định thông số kỹ thuật tủ điện chiếu sáng
Tủ điện công nghiệp là nơi lưu trữ và vận hành, bảo quản thiết bị điện, mạch điện và các linh kiện. Trong đó tủ điện chiếu sáng chứa các thiết bị điều khiển hệ thống chiếu sáng và bảo vệ mạch điện. Các loại tủ điện chiếu sáng có kích thước và sơ đồ đấu nối rất đa dạng.

Khi xác định thông số kỹ thuật của tủ điện chiếu sáng, cần nắm rõ hệ thống đèn điện điều khiển có đặc điểm, phân cấp, công suất như thế nào. Từ đó người thiết kế sơ đồ sẽ chọn lựa được các thiết bị cần thiết, bao gồm thiết bị đóng ngắt, thiết bị chuyển đổi, thiết bị bảo vệ và các linh kiện đi kèm.
Bước 2: Vẽ sơ đồ đấu nối tủ điện chiếu sáng

Trong sơ đồ tủ điện chiếu sáng, các tụ điện có thể đặt tại:
- Vị trí đấu nối của thiết bị tiêu thụ điện có tính cảm như động cơ điện, máy biến áp.
- Vị trí thanh góp cấp nguồn tới các động cơ nhỏ và phụ tải mang tính cảm kháng.
- Trong trường hợp tải cố định, không có nhu cầu mở rộng.
Trường hợp bố trí tụ bù nền, có thể chọn chế độ đóng ngắt bằng tay (CB), tự động (contactor) hoặc mắc trực tiếp vào tải.

Trong quá trình thiết kế sơ đồ tủ điện chiếu sáng, cần đảm bảo công năng điều khiển phù hợp với nhu cầu vận hành: tắt bật đèn tự động theo giờ, tắt bật đèn hai vị trí, tắt bật cụm đèn, điều chỉnh màu sắc và cường độ sáng,.... Bên cạnh tối ưu công năng cần chọn lựa các thiết bị điện tương thích để tối ưu chi phí. Mặt khác vị trí các thiết bị, đường dây cần thiết kế khoa học, thuận tiện cho sửa chữa, bảo trì.
Bước 3: Gia công vỏ tủ điện chiếu sáng
Sau khi hoàn thiện sơ đồ đấu nối tủ điện chiếu sáng sẽ tiến hành sản xuất, gia công vỏ tủ điện theo yêu cầu kỹ thuật. Các yếu tố cần chú trọng bao gồm kích thước vỏ, chất liệu vỏ, các khoang bên trong vỏ, vị trí đèn báo và nút nhấn,...
Bước 4: Lắp đặt, sắp xếp thiết bị bên trong
Sắp xếp các thiết bị trong tủ điện chiếu sáng theo cụm chức năng đã bố trí trong sơ đồ lắp đặt. Lưu ý cần giảm mức ảnh hưởng, tương tác xấu giữa các thiết bị điện.

Các nhóm thiết bị điện trong tủ chiếu sáng thường được chia như sau:
- Nhóm thiết bị điều khiển: relay nhiệt, relay trung gian, bộ điều khiển, cảm biến, contactor,...
- Nhóm thiết bị đóng ngắt: MCB, MCCB, ACB, cầu chì,...
- Nhóm linh kiện: nút nhấn, nút xoay, đèn báo, màn hình, dây điện, thanh cái,...
Bước 5: Đấu dây và đi dây cho thiết bị trong tủ điện
Trong quá trình đấu dây điện cho tủ chiếu sáng, bạn cần lưu ý:
- Dây dẫn bố trí đúng cực nối, thẳng hàng, khoa học, gọn gàng
- Phân màu dây và số thứ tự phục vụ kiểm soát, sửa chữa sau này
- Dây mạch động lực và tín hiệu cần bọc vỏ chống nhiễu
- Đấu dây mạch động lực trước, sau đó đấu dây điều khiển
- Bố trí vuông góc dây mạch động lực và dây điều khiển
Bước 6: Đối chiếu sơ đồ và kiểm tra, vận hành thử
Kiểm tra vị trí thiết bị và nối dây trong tủ điện đúng với sơ đồ lắp đặt. Sau đó chạy thử trong các điều kiện khác nhau.
Trên đây là chia sẻ của BTB Electric về sơ đồ đấu nối tủ điện chiếu sáng và những lưu ý khi lắp đặt. Bên cạnh đó bạn có thể tìm đọc thêm các sơ đồ lắp đặt tủ điện công nghiệp khác trên website của chúng tôi: https://btb-electric.com/vi/