14-10-2024
3 sơ đồ nguyên lý tủ điện ATS và hướng dẫn đấu tủ ATS
Lắp đặt tủ điện ATS nhằm đảm bảo nguồn điện cho phụ tải được duy trì ổn định ngay cả trong trường hợp nguồn điện chính gặp lỗi mất điện đột ngột hoặc sụt áp, quá tải,... Tham khảo các dạng sơ đồ nguyên lý tủ ATS trong bài viết sau đây từ BTB Electric.
Nguyên lý hoạt động của tủ ATS
Tủ chuyển đổi nguồn ATS được lắp đặt với ít nhất 1 nguồn điện chính (điện lưới) và 1 nguồn điện phụ (máy phát điện) để luôn sẵn sàng chuyển đổi nguồn điện khi cần thiết. Nguyên lý hoạt động của sơ đồ tủ ATS xoay quanh việc chuyển đổi giữa các nguồn điện.

Trong đó có 2 trường hợp chuyển nguồn tiêu biểu:
- Nguồn điện chính gặp sự cố: Ngắt nguồn chính, khởi động nguồn phụ và kết nối nguồn phụ vào phụ tải.
- Nguồn điện chính đã ổn định: Ngắt kết nối nguồn phụ, kết nối nguồn chính vào phụ tải, để nguồn phụ chạy không tải 1 thời gian trước khi tắt hẳn.
Thời gian chuyển đổi nguồn trung bình khoảng 5 - 30 giây. Thời gian chạy không tải cho nguồn phụ để tránh hư hỏng khoảng 180 giây.
Các dạng sơ đồ kết nối tủ ATS

Dựa theo nguyên lý, tủ chuyển nguồn ATS có bảng điều khiển điện tử sẽ có 3 dạng sơ đồ kết nối tủ ATS với nguồn điện phụ (máy phát điện):
- Kiểu 1 - Kết nối ATS và nguồn phụ thông qua cổng điều khiển bên ngoài: Chỉ cần cài đặt chức năng điều khiển từ xa cho chức năng chậm tiến độ.
- Kiểu 2 - Kết nối ATS và nguồn phụ thông qua cổng truyền thông hiện đại: Lưu ý chỉ kết nối thiết bị trong tủ ATS với mạng điều khiển trong nội bộ.
- Kiểu 3 - Kết nối điện lưới tới trực tiếp bảng điều khiển nguồn phụ: Sử dụng khi bảng điều khiển của nguồn phụ có chức năng ATS control. Mạng kết nối này dùng 2 MCCB và 1 khóa chéo.
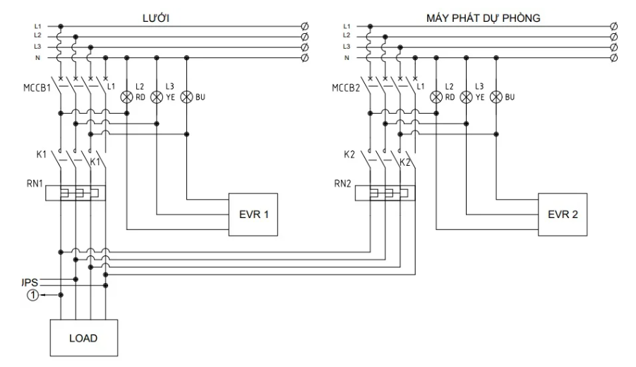
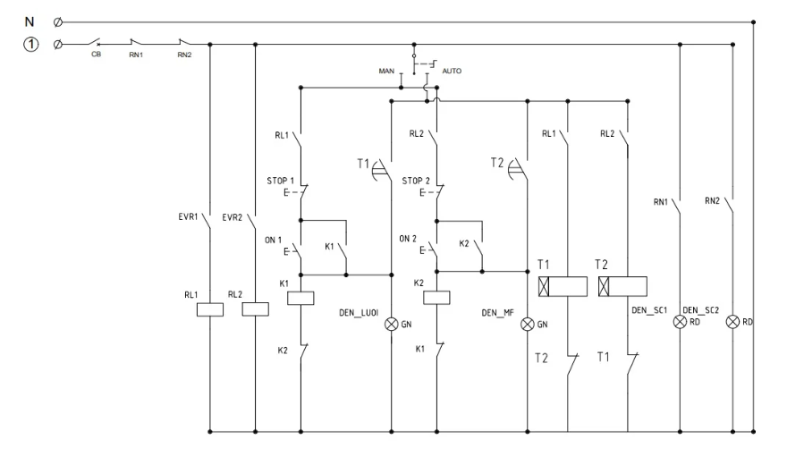
Sơ đồ mạch điện của tủ ATS
Sơ đồ mạch tủ ATS gồm hai phần chính là mạch điều khiển và mạch động lực. Hai mạch này kết nối với nhau và kết nối từng bộ phận trong mạch nguyên lý tổng, bao gồm bộ điều khiển ATS, đèn báo, ATS, công tắc điều khiển, thiết bị đóng ngắt, rơ le bảo vệ, nguồn điện lưới, máy phát điện,... tạo thành hệ thống hoàn chỉnh.
Mạch động lực tủ điện ATS:

Mạch điều khiển tủ điện ATS:

Hệ thống sơ đồ nguyên lý tủ ATS có khả năng tùy biến cao, đa dạng chế độ hoạt động, linh hoạt mở rộng hoặc thu gọn kết nối số lượng nguồn điện chính - phụ. Ngoài ra hệ thống có thể được nâng cấp mở rộng tính năng hoặc giảm thời gian chuyển nguồn. Khi sử dụng nhiều hơn 2 nguồn điện, trong tủ ATS cần có bộ điều khiển ATS để dễ kiểm soát.
=>> Xem thêm: Quy trình vận hành và hướng dẫn sử dụng tủ ATS
BTB Electric vừa gửi tới bạn tham khảo các sơ đồ nguyên lý tủ ATS và lưu ý khi tích hợp tủ ATS trong hệ thống điện. Bạn có thể tham khảo thêm các thông tin về tủ điện ATS, các thành phần trong tủ hoặc các hệ thống tủ điện công nghiệp khác ngay trên website https://btb-electric.com/vi/