14-10-2024
Tính công suất và thiết kế sơ đồ lắp tụ bù nền
Tụ bù nền được xem như giải pháp tối ưu giúp ổn định lượng công suất bù vào hệ thống điện. Bài viết sau đây từ BTB Electric sẽ đi sâu vào tìm hiểu về tụ bù nền, bao gồm vai trò, cách lựa chọn phù hợp và lắp đặt vào hệ thống điện.
Tụ bù nền là gì?
Tụ bù nền là dung lượng tụ bù đóng thường trực trong hệ thống điện, thường đảm bảo không để gây ra hiện tượng bù dư. Bù nền áp dụng cho một nhóm thiết bị hoặc cả hệ thống. Loại bù công suất này được thực hiện qua MCCB hoặc contactor đóng cắt, có thể lắp thêm 1 relay riêng.
Vai trò của tụ bù nền trong trạm biến áp không tải
Theo như quy định của Nhà nước, hệ số cosφ < 0.9 thì chủ sử dụng điện cần đóng thêm khoản phí phạt công suất hằng tháng. Tuy nhiên có trường hợp phía hạ áp có cosφ > 0.9 nhưng vẫn phải đóng phạt. Vì điện điện lực gắn công tơ đo điện phía trung thế nên lúc điện không tải hoặc tải nhỏ < 4% tải định mức, các bộ điều khiển tụ bù (relay hệ số công suất) không hoạt động.
Khi máy biến áp hoạt động non tải thì cosφ hạ xuống rất thấp. Ví dụ với máy biến áp 2000kVA thì tổn hao không tải là:
- Po = 1500W
- Qo = 40000VAr
Ví dụ cosφ2 là 0.9 thì có thể tính được cosφ1 là 0.037. Với mức cos như vậy, hệ số phạt là 44.07%. Do đó trạm có thời gian non tải càng lâu thì phạt càng cao nên cần lượng bù nền để tránh bị phạt.
=>> Xem thêm: Cách tính công suất tụ bù
Tính công suất tụ bù nền cho trạm biến áp không tải
Công thức tính tổn hao không tải cho máy biến áp: Qo = Io% x S
Trong đó:
- Qo: Dung lượng tụ bù nền
- Io: Dòng điện không tải % quy định từ nhà sản xuất, thông thường là 2
Tham khảo bảng thông số sau để tính được Qo:
| Dung lượng MBA (kVA) | Po (W) | Io (%) | Pk (W) | Uk (%) | Tụ 400V (kVAr) | Tụ 440V (kVAr) |
| 50 | 250 | 2 | 750 | 4.4 | 1.00 | 1.21 |
| 75 | 350 | 2 | 1750 | 4.4 | 1.50 | 1.82 |
| 100 | 205 | 2 | 1258 | 6 | 2.00 | 2.42 |
| 160 | 280 | 2 | 1940 | 6 | 3.20 | 3.87 |
| 180 | 315 | 2 | 2185 | 6 | 3.60 | 4.36 |
| 250 | 340 | 2 | 2600 | 6 | 5.00 | 6.05 |
| 320 | 390 | 2 | 3330 | 6 | 6.40 | 7.74 |
| 400 | 433 | 2 | 3818 | 6 | 8.00 | 9.68 |
| 500 | 580 | 2 | 4810 | 6 | 10.00 | 12.10 |
| 560 | 580 | 2 | 4810 | 6 | 11.20 | 13.55 |
| 630 | 787 | 2 | 5570 | 6 | 12.60 | 15.25 |
| 750 | 855 | 2 | 6725 | 6 | 15.00 | 18.15 |
| 800 | 880 | 2 | 6920 | 6 | 16.00 | 19.36 |
| 1000 | 980 | 2 | 8550 | 6 | 20.00 | 24.20 |
| 1250 | 2020 | 2 | 10690 | 6 | 25.00 | 30.25 |
| 1500 | 1305 | 2 | 13680 | 6 | 30.00 | 36.30 |
| 2000 | 1500 | 2 | 17100 | 6 | 40.00 | 48.40 |
=>> Đọc thêm: So sánh ưu nhược điểm tụ bù ngang và tụ bù dọc
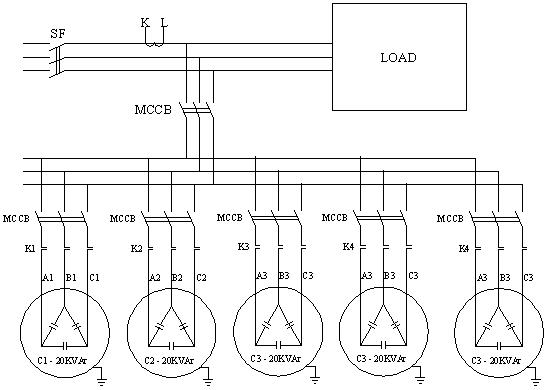
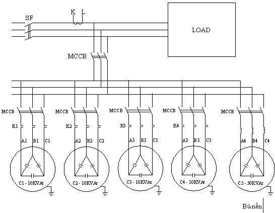
Tính toán và thiết kế sơ đồ lắp đặt tụ bù nền
Chúng tôi giới thiệu 2 phương pháp lắp đặt tụ bù dưới đây với phương án 1 không có bù nền và phương án 2 có bù nền. Xem xét cho 1 nhà máy hoạt động với công suất cực đại là 150kW và các mức công suất thực tế là 100kW, 110kW, 120kW, 130kW, 140kW và 150kW.
- Phương án 1: Lắp bù ứng động 5 cấp x 20 kVAr
Bảng thông số:
| Công suất (kW) | 100 | 110 | 120 | 130 | 140 | 150 |
| Dung lượng cần bù (kVar) | 55.0 | 60.5 | 66.0 | 71.5 | 77.0 | 82.5 |
| Dung lượng bù (kVar) | 60.0 | 60.0 | 80.0 | 80.5 | 80.0 | 80.0 |
| Sai số bù (kVar) | 5.0 | 0.5 | 14.0 | 9.5 | 3.0 | -2.5 |
- Phương án 2: Lắp bù nền 1 cấp 50kVAr và bù ứng động 4 cấp x 10 kVAr
Bảng thông số:
| Công suất (kW) | 100 | 110 | 120 | 130 | 140 | 150 |
| Dung lượng cần bù (kVar) | 55.0 | 60.5 | 66.0 | 71.5 | 77.0 | 82.5 |
| Dung lượng bù (kVar) | 60.0 | 60.0 | 70.0 | 70.5 | 80.0 | 80.0 |
| Sai số bù (kVar) | 5.0 | 0.5 | 14.0 | 4.0 | 3.0 | -2.5 |
Có thể thấy, với trường hợp sử dụng tụ bù nền thì dung lượng bù thấp hơn so với phương án 1 không sử dụng bù nền. Tuy nhiên sử dụng tụ bù nền cần tính toán hợp lý, tránh trường hợp tụ bù gây quá tải điện áp, làm hư hỏng thiết bị.
Tham khảo thêm các thông tin khác về tụ bù điện tại website BTB Electric.



