14-10-2024
Tủ ATS là gì? Thiết kế, nguyên lý hoạt động và ứng dụng
Hệ thống tủ ATS rất quan trọng trong mỗi nhà máy, công trình hay tòa nhà lớn, có vai trò đảm bảo nguồn điện cấp liên tục khi có sự cố nguồn điện lưới bị mất. Hệ tủ ATS ngày càng được tính hợp thiết bị và công nghệ hiện đại, có khả năng vận hành tự động, là giải pháp tốt để tránh thiệt hại về kinh tế khi mất điện. Cùng BTB Electric tìm hiểu về hệ thống tủ điện này trong bài viết dưới đây.
Khái niệm về tủ ATS
Tủ ATS là hệ thống tủ điện với ATS (Automatic Transfer Switches) - Bộ chuyển nguồn tự động là thiết bị chính. Tủ điện ATS có chức năng tự động chuyển đổi nguồn điện khi nguồn điện chính gặp sự cố khiến điện đầu vào chập chờn, sụt áp hoặc bị mất. Hệ tủ điện này đảm bảo nguồn điện đầu vào luôn ổn định cho hoạt động sinh hoạt, sản xuất, kinh doanh hằng ngày.

Tủ chuyển đổi nguồn điện ATS có 2 chế độ vận hành là bằng tay và tự động. Trên mặt trước tủ ATS bố trí các nút nhấn, đèn báo, màn hình hiển thị LCD để người vận hành theo dõi và điều chỉnh hoạt động của tủ.
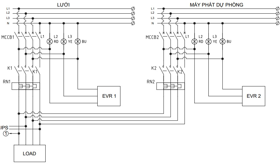
Thiết kế và cấu tạo của tủ ATS
Tủ ATS được thiết kế là một tủ hình khối hộp, vỏ ngoài làm từ thép mạ kẽm sơn tĩnh điện. Kích thước tủ tùy thuộc vào công suất vận hành và nhu cầu sử dụng. Bên trong tủ chuyển nguồn tự động ATS thường bao gồm các thiết bị sau:
- ATS & ATB - Bộ chuyển nguồn tự động: Thiết bị có chức năng chuyển đổi nguồn điện, đóng vai trò quan trọng nhất trong tủ ATS.
- Hệ thanh cái đồng phân phối: Tùy thuộc sơ đồ lắp đặt và công suất tủ.
- Bộ điều khiển ATS: Điều khiển chủ động ATS.
- Các linh kiện phụ: nút nhấn, đèn báo, màn hình LCD
Công suất, kích thước hay vị trí lắp đặt các thiết bị trong tủ điện ATS phụ thuộc vào sơ đồ lắp đặt có sẵn.
Nguyên lý hoạt động của tủ ATS
Khi lắp đặt, tủ chuyển nguồn ATS luôn lắp cùng máy phát công nghiệp để luôn sẵn sàng cho tình huống cần chuyển đổi nguồn điện. Nguyên lý hoạt động của tủ ATS cơ bản là theo dõi hoạt động của nguồn điện chính và nhanh chóng chuyển sang sử dụng điện dự phòng khi nguồn chính gặp các lỗi: mất pha, quá áp, sụt áp, tần số khác mức cho phép, mất điện,...

Các bước để tủ điện ATS chuyển nguồn như sau:
- Bước 1: Khởi động động cơ máy phát (nguồn điện phụ) hoặc pin năng lượng mặt trời.
- Bước 2: Ngừng cấp nguồn điện chính vào phụ tải.
- Bước 3: Đóng nguồn điện phụ vào phụ tải.
Khi nguồn điện chính ổn định, quá trình chuyển nguồn trên dòng tủ điện này sẽ diễn ra ngược lại một cách tự động:
- Bước 1: Ngắt nguồn cấp từ nguồn phụ vào phụ tải.
- Bước 2: Đóng nguồn điện lưới (nguồn chính) vào phụ tải.
- Bước 3: Tạo tín hiệu dừng hoạt động cho nguồn điện phụ và chạy không tải một thời gian, sau đó tắt nguồn phụ.
Với phụ tải yêu cầu không được để mất điện hoặc không mất điện quá lâu, hệ tủ điện ATS sẽ đảm bảo phụ tải luôn được kết nối với tối thiểu nguồn chính và 1 nguồn phụ. Ngoài ra, một số tủ ATS cao cấp kết hợp với tủ hòa đồng bộ cho nhiều máy phát (nguồn phụ), đảm bảo phụ tải luôn được cấp đủ công suất trong mọi trường hợp.
=>> Xem thêm: Quy trình vận hành và hướng dẫn sử dụng tủ ATS
Chức năng của hệ thống tủ ATS

Chức năng chính của tủ ATS là nhanh chóng chuyển đổi nguồn điện cho phụ tải:
- Chuyển từ nguồn điện chính sang nguồn điện phụ trong trường hợp nguồn chính gặp sự cố.
- Chuyển từ nguồn điện phụ sang nguồn điện chính khi nguồn chính ổn định trở lại.
- Bảo vệ phụ tải khi nguồn điện gặp lỗi như sụt áp, mất pha, quá áp,...
Thời gian trung bình để chuyển đổi nguồn điện trên tủ chuyển nguồn ATS khoảng 5 - 10 giây. Khi điện lưới phục hồi, tổng thời gian chẩn đoán và chuyển nguồn trở lại trong khoảng 10 - 30 giây.
Các loại hệ thống tủ ATS hiện nay

Tủ chuyển nguồn ATS được phân loại theo thống số vận hành và số lượng nguồn điện kết nối:
- Tủ ATS 2 nguồn: Kết nối với nguồn điện lưới và nguồn máy phát, là loại phổ biến nhất hiện nay, sử dụng trong tòa nhà, nhà máy, công trình,...
- Tủ ATS 2 nguồn điện lưới độc lập và từ 1 nguồn điện phụ, sử dụng trong các khu công nghiệp lớn. Tủ ưu tiên sử dụng luân phiên 2 nguồn điện lưới vì đặc thù dây chuyền sản xuất chạy liên tục. Nguồn điện phụ chỉ dành cho khối văn phòng, điều khiển, phụ trợ,...
- Tủ ATS 1 nguồn điện lưới, 2 nguồn điện phụ.
- Tủ ATS 1 nguồn điện năng lượng mặt trời (hoặc điện gió), 1 nguồn điện phụ.
- Tủ ATS 1 nguồn điện lưới, 1 nguồn kích điện dự phòng UPS
Bên cạnh đó, tủ điện ATS được phân loại theo mức dòng điện như 100A, 250A, 400A, 630A, 800A, 1000A,... Với tủ công suất nhỏ ưu tiên chọn thiết bị đóng ngắt là AC contactor và CB. Tủ công suất lớn chọn ACB cho phép dòng điện lớn đi qua, tăng độ bền cho tủ.
Những yếu tố quan trọng khi chọn tủ ATS

Khi bạn có nhu cầu lắp đặt tủ chuyển nguồn tự động cho hệ thống điện đang vận hành, hãy cân nhắc các yếu tố về dòng điện, điện áp, công suất và chất lượng thiết bị trong tủ:
- Dòng điện định mức của tủ ATS cao hơn tổng dòng điện của hệ thống phụ tải và đáp ứng được khả năng mở rộng phụ tải trong tương lai. Mức dòng điện của tủ dao động từ 100A tới vài nghìn ampe.
- Mức điện áp của tủ điện ATS cần tương thích với điện áp của hệ thống hiện có. Mức điện áp trong hệ thống điện dân dụng trong khoảng 220V, điện công nghiệp khoảng 380V. Trong thực tế mức điện áp của tủ có thể đạt trên 1000VAC.
- Khi xác định được dòng điện và điện áp, bạn sẽ xác định được mức công suất phù hợp cho hệ thống ATS.
- Chất lượng các thiết bị trong tủ ATS cần đồng độ, đáp ứng nhu cầu sử dụng, thông số kỹ thuật phù hợp, khi lắp đặt không gây xung đột. Lưu ý không chọn tủ có công suất quá chênh lệch với công suất trạm biến áp.
=>> Đọc thêm: 3 sơ đồ nguyên lý tủ điện ATS và hướng dẫn đấu tủ ATS
Bên cạnh đó, bạn cần lưu ý thêm khi chọn và lắp đặt tủ ATS:
- Môi trường hoạt động của hệ thống ATS là nơi thoáng mát, khô ráo, không gần các chất dễ gây cháy nổ, không có ánh mặt trời chiếu trực tiếp, không chịu rủi ro bởi thời tiết cực đoan,..
- Tủ điện ATS có khả năng kết nối với các hệ thống kiểm soát điện tự động để hạn chế sự cố khi vận hành như lỗi hiển thị, lỗi chuyển dòng hay nguy cơ cháy nổ,..
- Chọn thông số, kích thước tủ ATS phù hợp với đơn vị vận hành, tránh sử dụng quá nhiều thiết bị trong tủ gây lãng phí.
- Cân nhắc số nguồn kết nối với tủ phù hợp với hiện trạng và nhu cầu vận hành. Ví dụ hệ thống ATS lắp cho tòa nhà chỉ cần 1 nguồn điện lưới và 1 nguồn điện dự phòng.
BTB Electric cung cấp thiết bị chất lượng cho tủ ATS
BTB Electric là thương hiệu cung cấp các thiết bị chất lượng cho tủ điện ATS tại nhà máy, văn phòng tại nhiều khu công nghiệp lớn. Thiết bị chúng tôi cung cấp bao gồm Bộ chuyển nguồn tự động ATS, contactor, CB và một số thiết bị khác đều mang thương hiệu BTB Electric.
![]() |
![]() |
![]() |
![]() |
Các thiết bị điện công nghiệp từ BTB Electric đạt chuẩn chất lượng EN, IEC, được kiểm nghiệm bởi các tổ chức chất lượng hàng đầu như Dekra, Intertek,... và mang nhãn hiệu KEMA-KEUR. Tham khảo thông số chất lượng, catalogue các sản phẩm tại: https://btb-electric.com/vi/san-pham/



