14-10-2024
Tụ bù 3 pha là gì? Nguyên lý hoạt động và cách lắp đặt
Rất nhiều doanh nghiệp mỗi năm tiêu tốn rất nhiều chi phí vì tổn hao điện năng khi vận hành sản xuất và phí phạt cho EVN. Sử dụng tụ bù điện 3 pha giúp doanh nghiệp hạn chế rất nhiều phần chi phí không mong muốn này. Cùng tìm hiểu về cấu tạo, thông số kỹ thuật và cách ứng dụng tụ bù 3 pha vào hệ thống điện trong bài viết sau từ BTB Electric.
Cấu tạo của tụ bù 3 pha hạ thế
Tụ bù 3 pha được sử dụng cho tủ tụ bù công suất phản kháng hệ thống điện 3 pha. Cấu tạo tụ bù điện 3 pha như sau:
- Thân vỏ: Dạng hình trụ với 2 lớp là vỏ nhựa bên ngoài và vỏ aluminum bên trong.
- Tụ điện: Là tụ điện film polypropylene hoặc tụ điện khô. Bên trong tụ điện là 3 bản cực lá nhôm có lớp cách điện xen giữa. 3 đầu bản cực nhô lên trên làm cực đấu với nguồn điện.
- Ngấn phòng nổ: Vòng siết ngắt điện tự động khi quá tải, tránh cháy nổ tụ.
Nguyên lý hoạt động của tụ bù 3 pha
Tụ điện 3 pha có nguyên lý hoạt động dựa trên việc bù công suất phản kháng. Hệ thống sử dụng các phụ tải mang tính cảm sẽ khiến dòng điện chậm pha so với điện áp, khiến hệ số công suất cosφ thấp. Nhiệm vụ của loại tụ bù điện này là bổ sung lượng công suất phản kháng cho hệ thống để nâng cao cosφ.
Lợi ích khi sử dụng tụ bù 3 pha
Tụ điện 3 pha có khả năng tự động tính toán dung lượng cần bù, từ đó đảm bảo cho hệ số cosφ luôn dao động gần với ngưỡng bằng 0,95. Loại tụ bù hạ thế này sử dụng cho hệ thống điện sản xuất đem đến rất nhiều lợi ích như:
- Bù công suất phản kháng: Làm tăng hệ số cosφ phù hợp với quy định của bên điện lực, tránh việc phải nộp phạt hàng tháng do hệ số cosφ thấp.
- Giảm hóa đơn điện: Tụ 3 pha bổ sung công suất phản kháng giúp tiết kiệm được chi phí điện hàng tháng do hao tổn trên đường dây dẫn, đồng thời tăng tuổi thọ thiết bị điện làm giảm chi phí bảo dưỡng, sửa chữa.
- Giảm hao tổn đường dây: Hệ số cosφ có thể gây tiếng ồn và nóng trên đường dây dẫn, khiến tổn hao điện áp đường dây. Nâng cao cosφ khiến hiện tượng trên giảm đáng kể.
- Hạn chế sụt áp: Bù lại công suất phản kháng để tránh nguy cơ sụt áp cho lệch pha, hạn chế sai lỗi trên các thiết bị điện và giúp hệ thống hoạt động ổn định hơn.
- Tăng công suất truyền tải: Tụ bù điện 3 pha hạ thế có thể làm tăng công suất thực của máy biến áp, tăng khả năng truyền tải điện trên dây dẫn, đảm bảo dòng điện luôn ổn định.
Cách lắp đặt tụ bù điện 3 pha
Có 2 phương pháp lắp tụ bù 3 pha phổ biến hiện nay là lắp tụ tĩnh và lắp tụ động.
Lắp đặt tụ bù điện 3 pha theo cách đấu tĩnh
Cách đấu tụ bù 3 pha tĩnh có ưu điểm là chi phí thấp, thao tác đấu lắp đơn giản và dễ thực hiện. Cấu trúc bù tĩnh là sử dụng cố định một lượng tụ bù. Người dùng có thể điều khiển bằng tay, bán tự động hoặc đấu tụ trực tiếp vào
Lắp đặt tụ bù điện 3 pha theo cách đấu động
Ưu điểm của cách đấu tụ bù động 3 pha là hiệu suất làm việc cao, ít xảy ra hiện tượng bù thừa công suất tuy nhiên chi phí khá cao và đấu nối phức tạp. Hệ thống bù động sử dụng bộ điều khiển tụ bù với khả năng thay đổi dung lượng tụ bù như mong muốn để đảm bảo hệ số công suất đạt tới giá trị mong muốn.
Hệ thống lắp đặt tụ bù hạ thế 3 pha thường theo mạch tam giác để phù hợp cho 3 pha của tụ. Vị trí phù hợp cho tụ là tại vị trí cao áp, trong tủ tụ bù hoặc ngay trong cực của các động cơ, tại thanh cái hạ áp của trạm biến áp. Lưu ý trước khi lắp đặt cần tính dung lượng tụ bù phù hợp với công suất phản kháng cần bù.
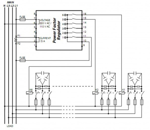
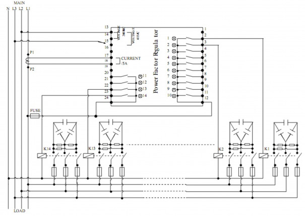
Tham khảo hai sơ đồ lắp đặt tụ bù 3 pha:
- Trường hợp tín hiệu dòng điện và điện áp cấp cho rơ le cùng 1 pha

- Trường hợp tín hiệu dòng điện lấy trên 1 pha dây và tín hiệu điện áp dây cấp cho rơ le lấy trên 2 pha còn lại

Những lưu ý khi lắp đặt và sử dụng tụ bù 3 pha
Trong quá trình đấu tụ bù 3 pha, lưu ý vị trí đặt tâm biến dòng lấy tín hiệu vào rơ le phải bao gồm dòng qua tụ và dòng tải. Lắp đúng cực tính của biến dòng: dòng sơ cấp vào K ra L, dòng thứ cấp nhận tín hiệu K, L của biến dòng với cực L, K của rơ le.

Trong quá trình sử dụng tụ bù điện 3 pha, bạn cần lưu ý:
- Khi lắp đặt cần đấu đúng tín hiệu của biến dòng và điện áp cấp về bộ điều khiển để cho kết quả đo cosφ chính xác.
- Vệ sinh tụ định kỳ và kiểm tra, thay mới nếu tụ hỏng hóc để tránh trường hợp tụ bị cháy, nổ.
- Lưu tâm biến dòng với tỉ số biến phù hợp với tải để bộ điều khiển hoạt động chính xác.
=>> Đọc thêm: Cấu tạo tụ bù 1 pha, hướng dẫn chọn và lắp đặt
Chọn tụ bù điện 3 pha từ BTB Electric
Lựa chọn được tụ bù hạ thế 3 pha tốt giúp hệ thống điện hoạt động hiệu quả hơn rất nhiều, nâng cao hệ số công suất và giảm chi phí tiền điện. Sản phẩm tụ bù điện khô 3 pha của BTB Electric đã và đang được rất nhiều đơn vị là doanh nghiệp, cơ quan ngành điện sử dụng.
Sản phẩm có dải công suất lớn từ 5 kVAr đến 30 kVAr, tổn hao chỉ < 0,2W/kVAr. Ngoài ra, tụ bù điện BTB Electric được sản xuất theo tiêu chuẩn IEC/EN 60831-1&2, đạt trên 130.000 giờ hoạt động. Đây là lựa chọn chất lượng cho hệ thống điện 3 pha mọi công suất, giúp khách hàng tiết kiệm đáng kể chi phí điện năng.
Tham khảo thông số, tài liệu sản phẩm ngay trên website BTB Electric.



